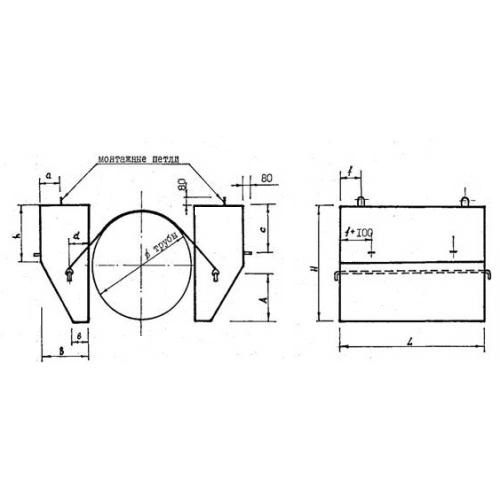
УБОм 820 утяжелители охватывающего типа
Характеристики изделия:
| Параметр | Значение |
|---|---|
| длина | 1500 мм |
| ширина | 550 мм |
| высота | 1100 мм |
| масса | 3378 кг |
| нормативный документ | ВСН 39-1.9-003-98 |
Цена:
Рассчитать стоимостьУБОм 820 Утяжелители бетонные охватывающего типа ВСН 39-1.9-003-98.
