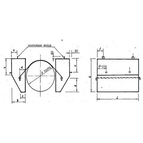
УБО 530 Утяжелители

Чертеж изделия:
Характеристики изделия:
ПараметрЗначение
длина1000 мм
ширина300 мм
высота700 мм
масса414 кг
нормативный документТУ 102-300-81

УБО 530  Утяжелители бетонные охватывающие по ТУ 102-300-81.