ПСТ 6.12.3.5

Чертеж изделия:
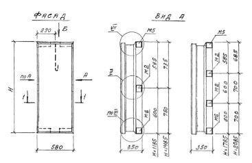
Характеристики изделия:
ПараметрЗначение
длина600 мм
ширина350 мм
высота1185 мм
масса220 кг
нормативный документШифр М25.13/98

ПСТ 6.12.3.5 Панели стеновые трёхслойные по Шифру М25.13/98.