БЭ 2

Чертеж изделия:
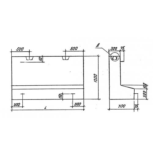
Характеристики изделия:
ПараметрЗначение
длина3000 мм
ширина700 мм
высота1200 мм
масса3800 кг
нормативный документШифр 2175РЧ

БЭ 2 Блоки противфильтрационного экрана по Шифру 2175РЧ.