ПСТ 60.21.45

Чертеж изделия:
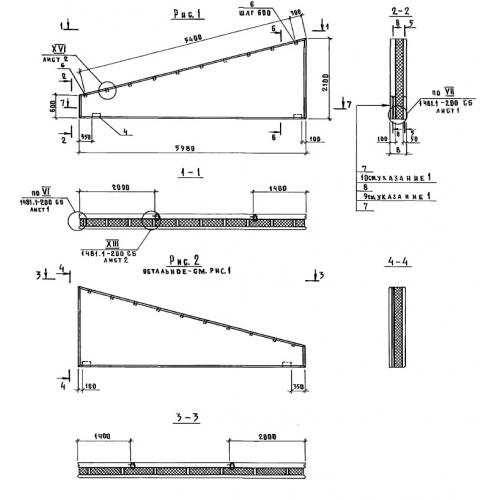
Характеристики изделия:
ПараметрЗначение
длина5980 мм
ширина450 мм
высота2100 мм
вес3000 кг
Шифр1481

ПСТ 60.21.45  Панели стеновые трехслойные по Шифру 1481.