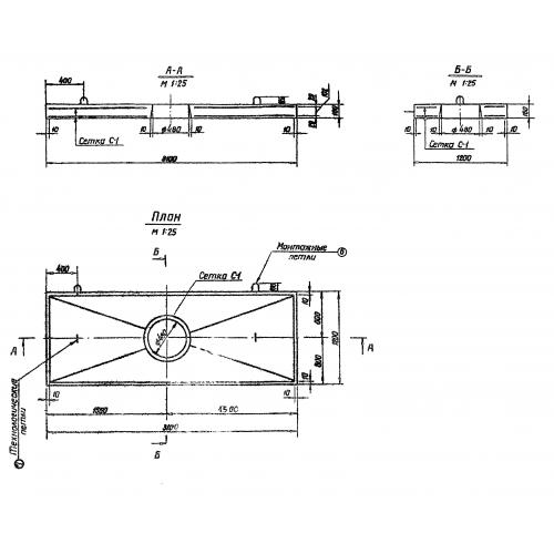
ПУ 4.0-6.0

Чертеж изделия:
Характеристики изделия:
ПараметрЗначение
длина3100 мм
ширина1200 мм
высота160 мм
вес1425 кг
серия3.820-9

ПУ 4.0-6.0 Плиты упорные по серии 3.820-9.