ББН 1п

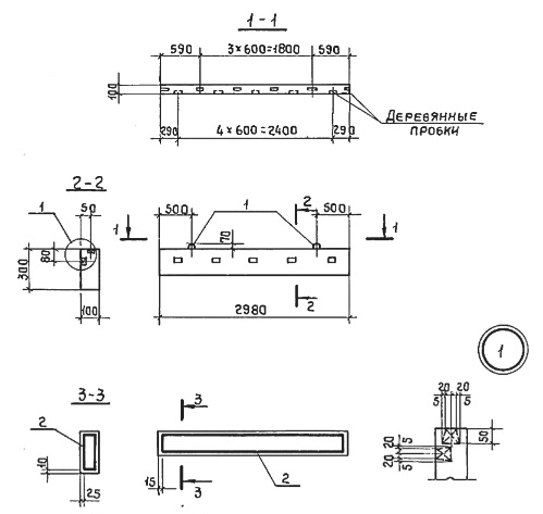
Чертеж изделия:
Характеристики изделия:
ПараметрЗначение
Длина2980 мм
Ширина100 мм
Высота300 мм
Масса180 кг
Нормативный документСерия 3.019.1-1

ББН 1п  Блок бортовой по Серии 3.019.1-1.