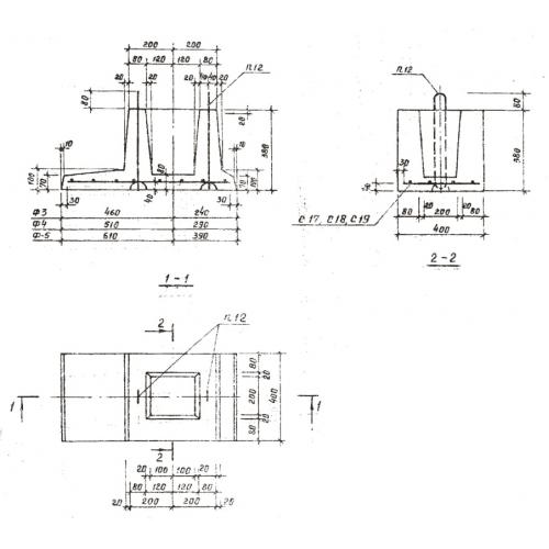
Ф 5 фундамент плиты забора

Чертеж изделия:
Характеристики изделия:
ПараметрЗначение
длина1000 мм
ширина400 мм
высота380 мм
масса190 кг
нормативный документСерия 3.017-1

Ф 5  Железобетонные фундаменты  оград Серия 3.017-1.