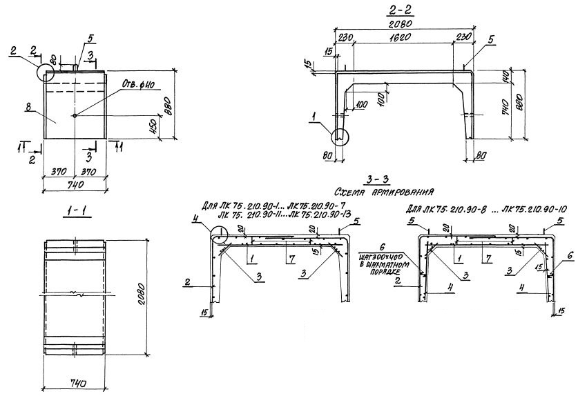
ЛК 75.210.90 лотки

Чертеж изделия:
Характеристики изделия:
ПараметрЗначение
длина740 мм
ширина2080 мм
высота880 мм
масса880 кг
нормативный документСерия 3.006.1-8

ЛК 75.210.90  Лотки каналов Серия 3.006.1-8.