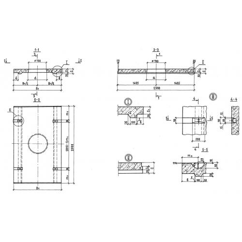
ПТО 15

Чертеж изделия:
Характеристики изделия:
ПараметрЗначение
длина2990 мм
ширина1900 мм
высота160 мм
масса2200 кг
нормативный документСерия 3.006.1-3/83

ПТО 15  Плиты перекрытия тоннелей с отверстием Серия 3.006.1-3/83.