ОП 4
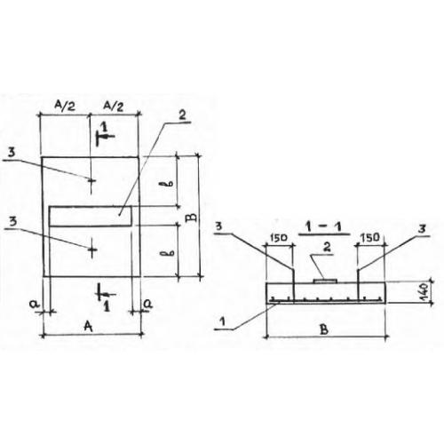
Характеристики изделия:
| Параметр | Значение |
|---|---|
| длина | 500 мм |
| ширина | 500 мм |
| высота | 140 мм |
| масса | 90 кг |
| нормативный документ | Серия 3.006.1-2/82 |
Цена:
Рассчитать стоимостьОП 4 Опорные подушки Серия 3.006.1-2/82.
| Параметр | Значение |
|---|---|
| длина | 500 мм |
| ширина | 500 мм |
| высота | 140 мм |
| масса | 90 кг |
| нормативный документ | Серия 3.006.1-2/82 |
ОП 4 Опорные подушки Серия 3.006.1-2/82.
