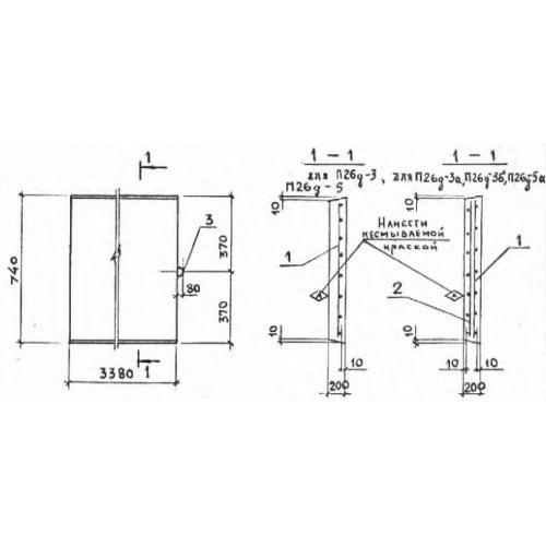
П 26д

Чертеж изделия:
Характеристики изделия:
ПараметрЗначение
длина740 мм
ширина3380 мм
высота200 мм
вес1250 кг
серия3.006-2

П 26д Плиты перекрытия лотков доборные по серии 3.006-2.