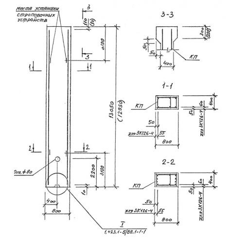
3К 126 колонны

Чертеж изделия:
Характеристики изделия:
ПараметрЗначение
длина13050 мм
ширина800 мм
высота400 мм
масса10500 кг
нормативный документСерия 1.423.1-5/88

3К 126 Колонны  Серия 1.423.1-5/88.