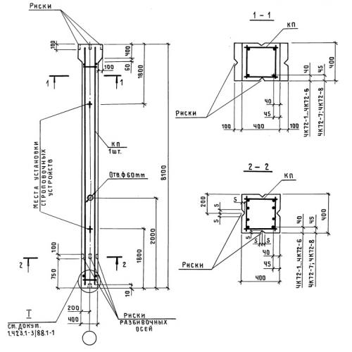
4К 72 колонны

Чертеж изделия:
Характеристики изделия:
ПараметрЗначение
длина8100 мм
ширина400 мм
высота400 мм
масса3300 кг
нормативный документСерия 1.423.1-3/88

4К 72  Колонны Серия 1.423.1-3/88.