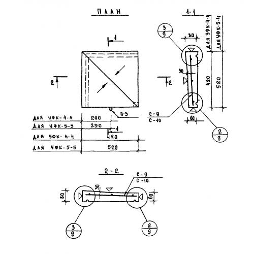
УФК 4-4

Чертеж изделия:
Характеристики изделия:
ПараметрЗначение
длина420 мм
ширина420 мм
высота80 мм
вес30 кг
серия1.269-1

УФК 4-4 Фризовые камни угловые по серии 1.269-1.