ПС 27.33.4.0

Чертеж изделия:
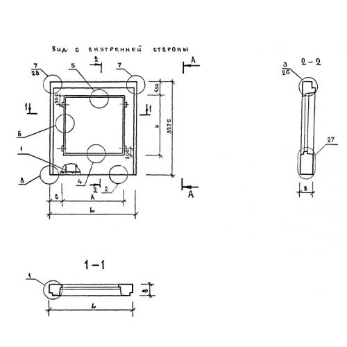
Характеристики изделия:
ПараметрЗначение
длина2660 мм
ширина400 мм
высота3275 мм
вес2700 кг
серия1.220.1-2

ПС 27.33.4.0 Панели наружных стен по серии 1.220.1-2.