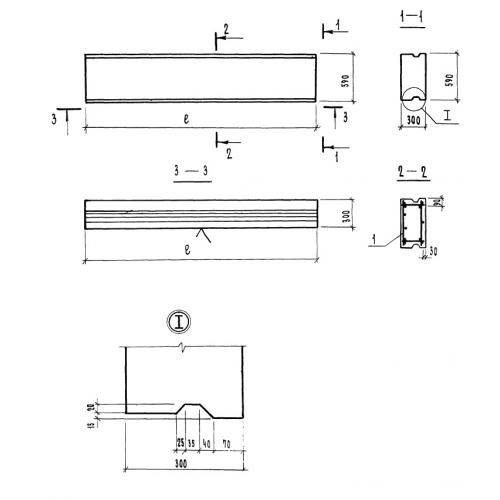
П 48.6.30

Чертеж изделия:
Характеристики изделия:
ПараметрЗначение
длина4770 мм
ширина590 мм
высота300 мм
вес600 кг
серия1.165.1-10

П 48.6.30 Панели покрытия по серии 1.165.1-10.