6ПСН 12.20.40-п-1.1

Чертеж изделия:
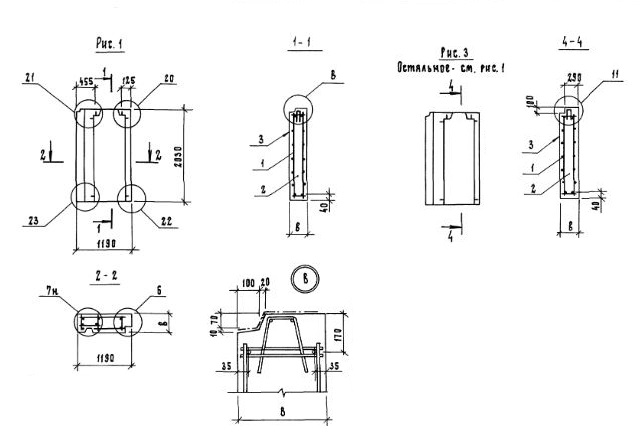
Характеристики изделия:
ПараметрЗначение
длина1190 мм
ширина400 мм
высота2030 мм
масса1350 кг
нормативный документСерия 1.117.1-20

Панели наружных цокольных стен. Панели толщиной 400 и 450 мм (Серия 1.117.1-20).

6ПСН 12.20.40-п-1.1  Панели стеновые наружные.    (рис.3)

п-пористый бетон.