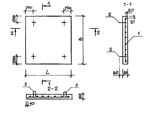
ЛП 15-4

Чертеж изделия:
Характеристики изделия:
ПараметрЗначение
длина1440 мм
ширина1340 мм
высота80 мм
масса380 кг
нормативный документСерия 1.050.9-4.93

ЛП 15-4  Площадочные плиты Серия 1.050.9-4.93.