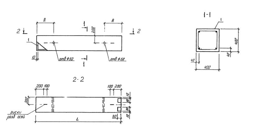
К 4.42

Чертеж изделия:
Характеристики изделия:
ПараметрЗначение
длина3750 мм
ширина400 мм
высота400 мм
масса1520 кг
нормативный документСерия 1.020.1-3пв

К 4.42  Колонны Серия 1.020.1-3пв.