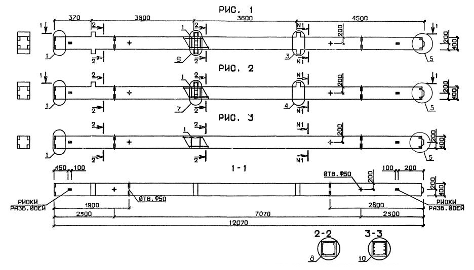
3КБ 4.36(48)

Чертеж изделия:
Характеристики изделия:
ПараметрЗначение
длина12070 мм
ширина400 мм
высота400 мм
масса4830 кг
нормативный документСерия 1.020.1-3пв

3КБ 4.36(48)  Колонны бесстыковые Серия 1.020.1-3пв.