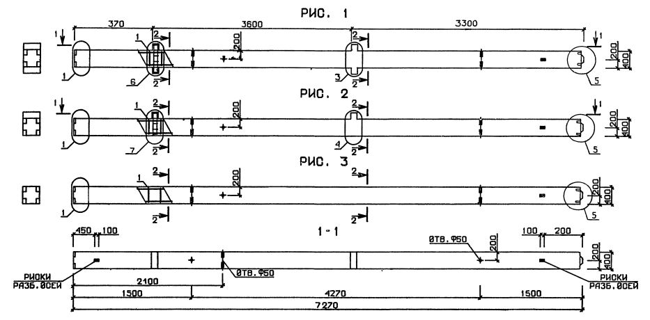
2КБО 4.36

Чертеж изделия:
Характеристики изделия:
ПараметрЗначение
длина7270 мм
ширина400 мм
высота550 мм
масса3060 кг
нормативный документСерия 1.020.1-3пв

2КБО 4.36  Колонны бесстыковые одноконсольные Серия 1.020.1-3пв.