2Д 26.20

Чертеж изделия:
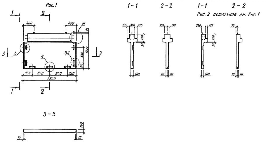
Характеристики изделия:
ПараметрЗначение
длина2560 мм
ширина550 мм
высота1970 мм
масса2470 кг
нормативный документСерия 1.020.1-3пв

2Д 26.20  Диафрагмы жесткости с двумя полками Серия 1.020.1-3пв.