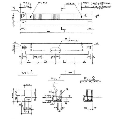
РОП 4.57
Характеристики изделия:
| Параметр | Значение |
|---|---|
| длина | 5660 мм |
| ширина | 375 мм |
| высота | 450 мм |
| масса | 1900 кг |
| нормативный документ | Серия 1.020-1 |
Цена:
Рассчитать стоимостьРОП 4.57 Ригели с одной полкой для опирания многопустотных панелей перекрытия Серия 1.020-1.
