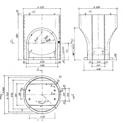
ВС 15 рабочие камеры водосточных колодцев
Характеристики изделия:
| Параметр | Значение |
|---|---|
| длина | 1680 мм |
| ширина | 1680 мм |
| высота | 1980 мм |
| масса | 2560 кг |
| нормативный документ | Альбом РК 2201-82 |
Цена:
Рассчитать стоимостьВС 15 Рабочие камеры водосточных колодцев Альбом РК 2201-82.
